Нужен совет. Какую ванну выбрали бы Вы и почему? 2 варианта. - Страница 5 - Littleone 2006-2009
Архив форума 04.2006 - 04.2009

Вернуться   Littleone 2006-2009 > Дела семейные > Наш дом



 
Опции темы Поиск в этой теме Опции просмотра
Старый 17-01-2009, 20:24     #41
Korny
Наш человек
 
Профиль Korny
 
Зарегистрирован: Apr 2002
Адрес: Москва
Сообщения: 8 517
Korny отсутствует


Я тоже за то, чтобы свинуть стиралку к углу, если есть возможность - зашить ее коробом с дверью. Тогда и много места еще для полочек появится.
Старый 17-01-2009, 23:39     #42
natamasa
Мега-элита
 
Профиль natamasa
 
Зарегистрирован: Jul 2005
Адрес: Пушкин
Сообщения: 3 130
natamasa отсутствует


Цитата:
Сообщение от ВалериАнка Посмотреть сообщение
120 на 120 какой сидя!!!! по диагонали там все 160 см...если автору интересно сфотаю у меня 130 на 130 - супер!!!
А где Вы покупали 130 на 130 ванну?
Старый 18-01-2009, 00:12     #43
lenulya
Наш человек
 
Профиль lenulya
 
Зарегистрирован: Jan 2005
Адрес: там.. та-та-там, там-там-там
Сообщения: 4 297
lenulya отсутствует


я за 2 вариант. Сама выбрала вот такую ванну ассиметричную. Теперь вот решаю какого производителя ванну лучше приобрести
Старый 30-01-2009, 01:10     #44
ВалериАнка
Частый гость
 
Зарегистрирован: Sep 2008
Сообщения: 71
ВалериАнка отсутствует


Цитата:
Сообщение от natamasa Посмотреть сообщение
А где Вы покупали 130 на 130 ванну?
в Максидоме, ванна фирмы Kolo
Старый 30-01-2009, 09:17     #45
mariad
Активный участник
 
Зарегистрирован: Jan 2005
Сообщения: 420
mariad отсутствует


Автор, а угловую ванну 120 на 105 не рассматриваете? Помню рост у Вас как у меня примерно- очень удобно- и лечь можно и душик принять по быстрому.....
Старый 30-01-2009, 11:26     #46
Gulchie
Старожил
 
Зарегистрирован: Mar 2008
Адрес: пр.Ветеранов, Техноложка
Сообщения: 985
Gulchie отсутствует


я за второй вариант, на много ванная комната просторнее получится
Старый 30-01-2009, 13:31     #47
irini
Активный участник
 
Профиль irini
 
Зарегистрирован: Aug 2004
Сообщения: 500
irini отсутствует


Цитата:
Сообщение от Korny Посмотреть сообщение
Я тоже за то, чтобы свинуть стиралку к углу, если есть возможность - зашить ее коробом с дверью. Тогда и много места еще для полочек появится.
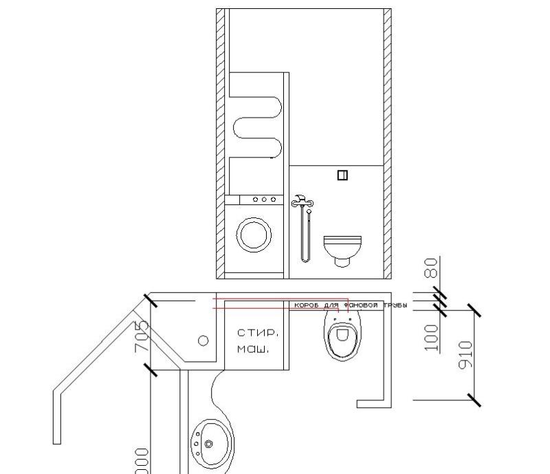
А если машинка переезжает ближе к раковине, то змеевик оказывается над ней. Машинку передполаглось убрать в шкафчик, а здесь получается если он будет высокий, то змеевик окажется в шкафу. А может вообще забить н а ассиметричную ванную и взять обычную прямоугольную 170 на 80 например?...
Изображения
 
Старый 30-01-2009, 14:12     #48
Селена
Ветеран
 
Зарегистрирован: Dec 2002
Сообщения: 779
Селена отсутствует


Цитата:
Сообщение от irini Посмотреть сообщение
А может вообще забить н а ассиметричную ванную и взять обычную прямоугольную 170 на 80 например?...
Я за прямоугольную ванну!
Мы себе летом вот такую поставили http://www.universal-nk.ru/catalog/van/65.6.html
Очень довольны, очень широкая и глубокая. До этого в квартире была кировская ванна 1,5 метровая, очень маленькая. Только дети в ней плескались, остальные использовали ее как душевую.
На последнем плане я бы еще унитаз в угол поставила, т.е. чтобы сидеть на нем спиной к углу, тогда лицом в стену не упираешься.





Ваши права в разделе
Вы не можете создавать темы
Вы не можете отвечать на сообщения
Вы не можете прикреплять файлы
Вы не можете редактировать сообщения

vB-коды Вкл.
[IMG] код Вкл.
HTML код Выкл.


Часовой пояс GMT +3, время: 14:33.


Powered by vBulletin® Version 3.6.12
Copyright ©2000 - 2025, Jelsoft Enterprises Ltd.